Klipna pumpa tipa Yuken s promjenjivim pomakom
Kompenzator pritiska Yuken tip klipna pumpa promjenjivog pomaka A37-F-R-01-HK-32
Opis proizvoda
Yuken A serija A10 A16 A22 A37 A70 Hidraulična varijabilna Yuken klipna pumpa A10-F-R-01-HS-60 A70-FR-05-HK-60
Dizajnirana za industrijske hidraulične sisteme, ova klipna pumpa promenljivog pomeraja kombinuje pouzdanost sa efikasnom isporukom tečnosti. Dizajniran za teške-prilike, ima strukturu-ugrađenu na prirubnicu i precizne komponente kako bi se osigurao stabilan rad u uslovima visokog{3}}pritiska.
Karakteristike proizvoda
Mogućnost visokog-pritiska
Pruža pritisak do 21 MPa, idealno za zahtjevne hidraulične sisteme u industrijskim mašinama.
Trajnost i dugovečnost
Izrađen od materijala-otpornih na habanje i optimiziranog strukturalnog dizajna, smanjujući troškove održavanja i produžavajući vijek trajanja.
Rad sa niskim nivoom buke
Dizajniran sa tehnologijom{0}}smanjenja buke kako bi se zadovoljili zahtjevi okoliša u aplikacijama{1}}osjetljivim na buku.
Superiorne performanse usisavanja
Efikasan dizajn usisnog otvora osigurava stabilan unos tečnosti čak i pod uslovima niskog ulaznog pritiska.
Područja primjene
Industrija nafte i plina: Hidraulički sistemi za platforme na moru i opremu za bušenje.
Hemijska industrija: Napajanje reaktora, miksera, ventila i pumpi u hemijskoj preradi.
Proizvodnja energije: Hidraulički upravljački sistemi za hidroelektrane i aktuatore ventila.
Građevinski sektor: Hidraulična snaga za bagere, dizalice i mašine za sabijanje.
Pomorstvo, rudarstvo i automobilska industrija: prilagođena rješenja za brodske hidraulične sisteme, rudarsku opremu i proizvodnju automobila.
Tehnički datum


Kodovi za naručivanje

Dostupan model:
| A10-F-R-01-H-S-60 |
| A16-F-R-01-H-K-32 |
| A22-F-R-01-H-K-32 |
| A37-F-R-01-H-K-32 |
| A37-F-R-05-H-S-32 |
| A70-F-R-05-H-K-60 |
| A10-F-R-07-H-S-60 |
| A16-F-R-07-H-K-32 |
| A22-F-R-07-H-K-32 |
| A37-F-R-07-H-K-32 |
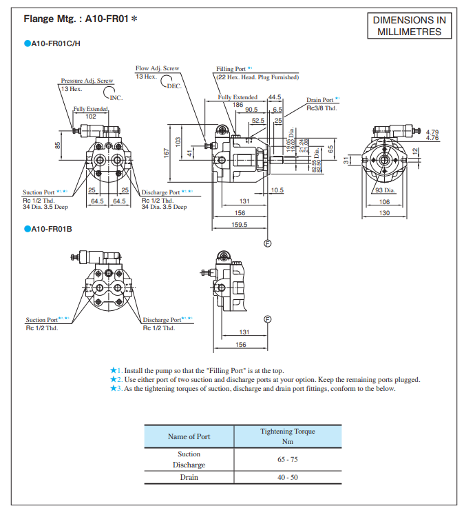
Products Dimension


Detaljne fotografije



Profil kompanije

Ningbo Hyleman Hydraulics Co., Ltdje naučna i inovativna kompanija koja integrira istraživanje i razvoj, proizvodnju, prodaju i servis visoko{0}}kvalitetne hidraulične pumpe, motore, ventile i druge hidraulične proizvode.
Hyleman uglavnom isporučuje Rexroth A4VSO, A10VSO, A4VG, A7VO, A11VO i A2FO serije visokog{6}}klipne pumpe, Rexroth PGH3, PGH4 i PGH5 serije visokog{10}}zupčaste pumpe, A4VM, A6VM i A2FM serije klipnih motora; BM3, BM4, BM5, BM6 i drugi orbitalni motori. Kroz brušenje i inovacije Hyleman ljudi, proizvodi iz serije Hyleman ne samo da mogu savršeno zamijeniti originalne proizvode, već i ostvariti besprijekornu razmjenu i povezivanje svih dijelova. Štaviše, ima nižu buku, veću zapreminsku efikasnost i duži radni vek, kako bi u potpunosti nadmašio kvalitet originalne fabrike, i izdržao teške testove tržišta, izvezen je u više od 70 zemalja i regiona širom sveta.
Proizvodi serije Hyleman se naširoko koriste u inženjerskim mašinama, plastičnim mašinama, metalurškim mašinama, mašinama za zaštitu životne sredine, rudarskim mašinama, pomorskim mašinama, mašinama za pakovanje, lučkim mašinama i različitoj hidrauličnoj opremi, koju klijenti veoma hvale.
Hyleman ima svjetsku naprednu CNC opremu za obradu, vertikalne i horizontalne obradne centre, visoko-precizno dvostrano-brušenje, brušenje žljebova, brušenje krivulja i potpuno-automatske obradne centre. Sa 12 nezavisnih laboratorija za testiranje, proizvodi su sveobuhvatno pregledani prije otpreme kako bi se osiguralo da proizvodi iz serije Hyleman postižu visoku preciznost, visok kvalitet i nula nedostataka.
„Optimizacija performansi hidrauličnih proizvoda, poboljšanje kvaliteta hidrauličnih proizvoda i vođenje sveobuhvatne nadogradnje potrošnje hidrauličnih proizvoda“ nije samo odgovornost i misija Hylemana, već i kineski san o Hylemanu. Hyleman je voljan da radi sa ljudima koji imaju uvid kako bi uložili neprekidne napore da ostvare ovaj san.
Srdačno pozdravljamo sve prijatelje da posjete prelijepi lučki grad - Ningbo kako bi razgovarali o saradnji i tražili zajednički razvoj sa Hylemanom!
Izložbe

Paketi


naše prednosti
Zašto odabratiHYLEMAN?
1. Vrhunski kvalitet
Ovisno o 15 godina iskustva u dizajnu, istraživanju, razvoju i proizvodnji hidrauličnih pumpi, imamo vrhunski kvalitet u usporedbi s domaćim i inozemnim proizvođačima, svi naši proizvodi imaju 1 godinu jamstva.
2. Strogi sistem kontrole kvaliteta
Imamo najstroži sistem kontrole kvaliteta, svi naši proizvodi su 100% testirani prije isporuke i svaki od njih ima jedan kod za praćenje kako bismo bili sigurni da su kvalitetni za naše kupce.
3. Napredna mašinska oprema
Sve mašine koje imamo su nove CNC mašine koje smo uvezli iz Nemačke i Japana kako bismo postigli što veću potražnju za preciznošću proizvoda.
4. Jak tehnički tim
Naš tehnički tim ima više od 20 godina iskustva u projektovanju i inženjeringu pumpi, naš glavni inženjer ima više od 40 godina iskustva u projektovanju pumpi. Imamo jedan istraživački tim od 15 ljudi, odgovoran za istraživanje poboljšanja pumpi i razvoj novih proizvoda.
5. Konkurentna cijena
Zbog dobrog upravljanja, naša cijena je konkurentnija od originalnih proizvoda, razumnija od većine domaćih dobavljača.
6. Brzo vrijeme isporuke
Male narudžbe možemo poslati u roku od jedne sedmice, za velike narudžbe kao što su pumpe od 500 PCS ili kompleti kertridža obično možemo izvršiti pošiljku u roku od mjesec dana.
7. Garantni period
Svi naši proizvodi su u roku od 1 godine garancije nakon isporuke iz naše fabrike.
8. Pažljiva usluga
Možemo pružiti tehničku podršku u bilo koje vrijeme ako naši klijenti naiđu na bilo koji problem tokom korištenja, mi ćemo pružiti rješenja u najkraćem mogućem roku.
9. Dugogodišnja strategija razvoja
Željeli bismo uspostaviti dugoročnu strategiju saradnje sa našim kupcima, za promocijuHYLEMANbrendirajte zajedno, podržite i obučite potencijalnog kupca da bude naš agent u svakoj zemlji i regionu širom sveta.
Popularni tagovi: yuken klipna pumpa s promjenjivim pomakom, Kina yuken klipna pumpa s promjenjivim pomakom proizvođači, dobavljači, tvornica
Moglo bi vam se i svidjeti
Pošaljite upit













